EUR
en
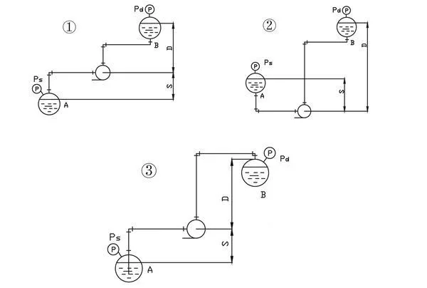
The head refers to the energy obtained by the slurry pump per unit weight of liquid. The calculation of slurry pump head can be roughly divided into three cases (as shown in the figure):

D — Geometric discharge height, m; Value: Positive if higher than the pump inlet centerline; Negative if lower than the pump inlet centerline.
S — Geometric suction height, m; Value: Negative if higher than the pump inlet centerline; Positive if lower than the pump inlet centerline.
Pd, Ps — Operating pressure in the container, m of liquid column (gauge pressure); Value: Determined by the sign of the gauge pressure.
Hf1 — Straight pipe resistance loss, m of liquid column.
Hf2 — Fitting resistance loss, m of liquid column.
Hf3 — Inlet and outlet local resistance loss, m of liquid column.
h — Pump head, m of liquid column.
The determination of the slurry pump flow rate mainly involves the following three points:
For high-flow, low-head slurry pumps with a specific speed (NS) > 100, the flow rate margin is 5%. For low-flow, high-head pumps with NS < 50, the flow rate margin is 10%. For pumps with 50 ≤ NS ≤ 100, the flow rate margin is also 5%. For pumps with poor quality or operating under harsh conditions, the flow rate margin should be 10%.
Relationship Between Slurry Pump Impeller Clearance and Concentration of Conveyed Material (Part 4)
三、Precautions in Practical Applications
In practical applications, the following points should be noted when adjusting the slurry pump impeller clearance:
Bookmark
Daniel Féau processes personal data in order to optimise communication with our sales leads, our future clients and our established clients.
This site is protected by reCAPTCHA and the Google Privacy Policy and Terms of Service apply.